စက်မှုကက်ဘိနက်တံခါးသော့ခတ်အတွင်းပိုင်းလျှပ်စစ်အစိတ်အပိုင်းများ၏ဘေးကင်းမှုနှင့်စနစ်၏တည်ငြိမ်သောလည်ပတ်မှုနှင့်တိုက်ရိုက်ဆက်စပ်သောဖြန့်ဖြူးရေးကက်ဘိနက်၊ ဆက်သွယ်ရေးဝန်ကြီးအဖွဲ့၊ ထိန်းချုပ်ဘောက်စ်နှင့်အခြားစက်ပစ္စည်းများ၏အဓိကအကာအကွယ်အစိတ်အပိုင်းဖြစ်သည်။
မတူညီသောပရောဂျက်များအတွက် ပေးပို့ချိန်နှင့် သတ်မှတ်ချက်များ၏ ကွဲပြားသောလိုအပ်ချက်များနှင့် ပြည့်မီစေရန်အတွက်၊ ကျွန်ုပ်တို့၏ကုမ္ပဏီသည် စတော့တွင် အသုံးများသောသော့အမျိုးအစားငါးမျိုး အမြဲရှိသည်။Long Bar Lock, Panel Lock, Rod Control Lock, လက်ကိုင်လော့ခ်,Rotary Tongue လော့ခ်. တစ်ချိန်တည်းမှာပင်၊ ကျွန်ုပ်တို့သည် သတ္တုဖြန့်ချီရေးသေတ္တာအမျိုးမျိုးအတွက် လုံးဝသင့်လျော်သော ပုံများ သို့မဟုတ် နမူနာများအလိုက် စိတ်ကြိုက်စံမဟုတ်သောသော့ကို ပံ့ပိုးပေးပါသည်။
Plane lock သည် လှပပြီး ထိန်းသိမ်းရလွယ်ကူသော စက်မှုလုပ်ငန်းသုံး တံခါးသော့များထဲမှ တစ်မျိုးဖြစ်သည်။ ကျွန်ုပ်တို့၏ကုမ္ပဏီသည် AB301၊ AB302၊ AB303၊ AB402၊ AB403 စီးရီးလေယာဉ်လော့ခ်၊ ဖွဲ့စည်းတည်ဆောက်ပုံဆိုင်ရာ ခွန်အား၊ ကာကွယ်မှုစွမ်းဆောင်ရည်နှင့် ကွဲပြားသောဒီဇိုင်း၏လည်ပတ်မှုခံစားမှုတွင်၊ ဖြန့်ဖြူးပုံး၏ ကွဲပြားခြားနားသောသတ်မှတ်ချက်များ၊ ထိန်းချုပ်မှုအဖွဲ့တပ်ဆင်မှုလိုအပ်ချက်များကို ပြည့်မီနိုင်ပါသည်။
| အတိုင်းအတာများ | ထုတ်ကုန်နံပါတ် | |||||||
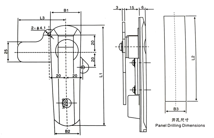
| L1 | L2 | L3 | B1 | B2 | မီးခိုးရောင် chrome အဖြစ်လည်းကောင်း | မီးခိုးရောင်ဖြန်းဆေး | အနက်ရောင်အမှုန့် အုပ်ထားသည်။ | အလေးချိန်(ဆ) |
| 147 | 117 | 72 | 33 | 26.5 | AB301-1-1.2 | AB301-1-1.8 | AB301 | 370 |
| 120.5 | 95.5 | 65 | 30 | 23.5 | AB301-2-1.2 | AB301-2-1.8 | AB302 | 290 |
| 87.5 | 62.5 | 65 | 28.5 | 23.5 | AB301-3-1.2 | AB301-3-1.8 | AB303 | 215 |
အဓိကပစ္စည်း: သွပ်သတ္တုစပ်။
မျက်နှာပြင်ကုသမှု- တောက်ပသော chrome၊ Matte၊ အနက်ရောင်။
လုပ်ဆောင်ချက်နှင့် အသုံးပြုမှု- တံဆိပ်ခတ်ခြင်းနှင့် ရေစိုခံသည့် လုပ်ဆောင်ချက်ပါရှိ၍ အသုံးပြုရလွယ်ကူသော တံခါးဘယ်နှင့် ညာဘက်အဖွင့်ကို နားလည်သဘောပေါက်ပါ။
အဓိကပစ္စည်း: သွပ်သတ္တုစပ်။
မျက်နှာပြင်ကုသမှု- တောက်ပသော chrome၊ Matte၊ အနက်ရောင်။
လုပ်ဆောင်ချက်နှင့် အသုံးပြုမှု- တံဆိပ်ခတ်ခြင်းနှင့် ရေစိုခံသည့် လုပ်ဆောင်ချက်ပါရှိ၍ အသုံးပြုရလွယ်ကူသော တံခါးဘယ်နှင့် ညာဘက်အဖွင့်ကို နားလည်သဘောပေါက်ပါ။
ပစ္စည်း- ဇင့်အလွိုင်းသော့ခန်ကိုယ်ထည်၊ လှည့်ပတ်ရိုးတံ၊ သွပ်ရည်စိမ်သံမဏိတုံး၊ ဖိအားပန်းကန်။
မျက်နှာပြင်ကုသမှု- ငွေရောင် နာနိုဖြန်းဆေး။
ဖွဲ့စည်းပုံဖော်ပြချက်- ဖွင့်ရန် သို့မဟုတ် လော့ခ်ချရန် 90 ဒီဂရီ လှည့်ပါ။
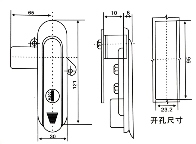
| မော်ဒယ် | L1 | L2 | L3 | B1 | B2 | B3 |
| AB402-A အသစ် | 123 | 95.5 | 65 | 36.5 | 30 | 23.5 |
| AB403-A အသစ် | 91 | 62.5 | 65 | 33 | 28.5 | 23.5 |
| AB401-A အသစ် | 151 | 117 | 72 | 36 | 30 | 26.5 |
